|
|
|
FEATURES:
- Mechanical life:min.1 x 106 cycles
- Good feeling and more actuators and more terminals are applied
|
|
| |
| MATERIALS |
Upper Housing: High Temperature PBT (UL94 V-0)
Lower Housing: High Temperature PBT (UL94 V-0)
Actuating Button: High Temperature PBT (UL94 V-0)
Fixed Rod: Brass
Chang Plate: Brass(Plating silver)
NC、NO、COM Terminals: Brass(Plating silver)
Contacts: Silver Alloy or plating Gold
Spring Plate: Bronze
Auxiliary Actuator: Stainless Steel |
|
| SPECIFICATION |
Mechanical life: 1,000,000 cycles min;
| Contact Rating: |
15 Amps @ 125/250 VAC; CUL, UL 10,000 cycles; VDE 50,000 cycles |
| |
10 Amps @ 125 /250VAC ; CUL,UL 10,000 cycles;VDE 50,000 cycles |
Insulation Resistance:>100MΩ DC500V;
Withstand Voltage:AC1500V 1 minute;
Contact Resistance:<100mΩ;
Operating Temper.:-25℃ to 85℃;
Operating Force:See Chart
Hand Soldering.:Use a soldering iron of 30 watts, controlled at 380℃
approximately 3 seconds while applying solder |
| ACTUATOR AND OPERATING FORCE CHART |
ACTUATOR |
OPERATING FORCE (gf) |
FP(mm) |
OP(mm) |
REMARK |
00
(NO LEVER) |
100±30 |
160±40 |
250±50
|
18.35 ± 0.5 |
17.45 ± 0.5 |
|
01  |
100±30 |
160±40 |
250±50
|
19.05 ± 0.5 |
18.05 ± 0.5 |
02  |
45±20 |
75±25 |
120±40
|
20.75 ± 0.8 |
18.25 ± 0.8 |
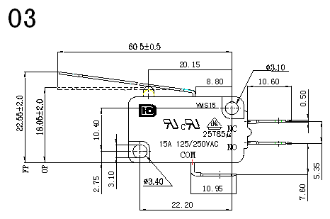
03  |
25±10 |
40±15 |
60±25
|
22.55 ± 2.0
|
|
04  |
50±20 |
85±30 |
140±40
|
23.95 ± 1.5
|
21.75 ± 1.5 |
05  |
100±30 |
160±40 |
250±50
|
24.45 ± 0.8 |
23.45 ± 0.8 |
|
ACTUATOR SPECIFICATIONS (mm) : |
|
PACKING EXPLANATION: |
- Commonly,100pcs for one case and 30 cases for one box.
- Longer lever: Such as the VMS-03 type is packaged 80pcs for one case , 30 cases for one box.)
|
|
|