|
|
|
FEATURES:
- Protection against ingress of dust
φ1.0mm(ⅠP5X);
- Protection against ingress of water(ⅠPX1);
- Good feeling and more actuators and more terminals are applied
|
|
| MATERIALS |
Upper Housing: Nylong66 (UL94 V-0)
Base: Nylong66 (UL94 V-0)
Actuating Button: High Temperature PBT (UL94 V-0)
Cap: Rubber (UL94 V-0)
Chang Plate: Bronze
NC、NO、COM Terminals: Brass(Plating silver)
Contacts: Silver Alloy or plating Gold
Spring: SUS304
Auxiliary Actuator: Stainless Steel |
|
|
| SPECIFICATION |
Mechanical life:100,000 cycles min;
Contact Rating: 5Amps @ 250 VAC; CUL, UL 10,000 cycles
Insulation Resistance:>100MΩ DC500V;
Withstand Voltage:AC1,000V 1 minute;
Contact Resistance:<100mΩ;
Operating Temper.:-25℃ to 85℃;
Operating Force:See Chart
Hand Soldering.:Use a soldering iron of 30 watts,controlled at 380℃
approximately 3 seconds while applying solder |
| ACTUATOR AND OPERATING FORCE CHART |
ACTUATOR |
OPERATING FORCE(gf) |
FP(mm) |
OP(mm) |
REMARK |
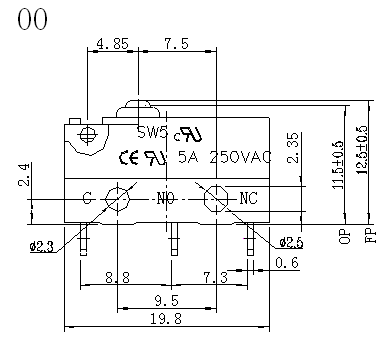
00
(NO LEVER) |
115±40 |
130±40 |
150±40 |
175±45 |
250±50 |
12.5 ± 0.5 |
11.5 ± 05 |
|
01  |
45±20 |
50±20 |
55±25 |
60±25 |
100±40 |
— |
— |
04  |
40±20 |
45±20 |
50±20 |
55±25 |
90±30 |
— |
— |
05  |
40±20 |
45±20 |
50±20 |
55±25 |
90±30 |
— |
— |
|
| TERMINAL OPTIONS (mm) ( Inches) |
|
| ACTUATOR SPECIFICATIONS (mm) |
|
PACKING EXPLANATION: |
Hacing different transport and exist differ package:
- 90 PCS for one case,78 cases for one box;
- HK:90 PCS for one case, 78 cases for one box;
- TAIWAN:90 PCS FOR ONE CASE,76 CASES FOR ONE BOX;
|
 |
There is a new body type(the thickness is 6.4mm) of the “N” terminal waterproof switch.The base can be buckled a lower housing and the three terminals can be soldered three wires.Electronic encapsulation adhesive can be injected the lower housing airproof the solder to protect the wires.(the drawing as below)

|
|
|